规格:
服务:
常见问题:
升降台特点:
丝杠电机省略中间环节,初始高度低;
进口电机,精度高,承载大;
丝杆导程小,分辨率高,反向间隙忽略不计;
多组交叉滚子导轨,稳定性好;
平移台特点:
进口精密滚珠螺杆驱动,重复定位精度和绝对定位精度好,轴向间隙小,寿命长
导轨采用精密线性滑块导轨(方形,整体与底板连接),运动舒适,承载大,适合单轴重载或多轴组合使用
精磨电移台底板和合理的导轨固定方式大大的降低了电移台的俯仰和偏摆,使运动的直线度和平行度有较大提高
产品参数:
| 平移台参数 | ||
| 工作台面 | 65mm×65mm | |
| 行程 | 25mm | |
| 步进电机 | 35步进电机+滚珠丝杆φ8×P1 | |
| 导轨 | 十字交叉滚柱导轨 | |
| 步距角 | 1.8° | |
| 相电流 | 0.8A | |
| 分辨率 整步/半步 | 5μm/2.5μm | |
| Z大速度 | 3mm/sec | |
| 重复定位精度 | ±3μ | |
| 绝对定位精度 | 10μ | |
| 平行度 | 30μm | |
| 运动的平行度 | 10μm | |
| 承重 | 平行:10kgf(98N) 垂直:5kgf(49N) | |
| 自重 | 1.1kg | |
| 材料表面处理 | 铝-黑色阳极氧化处理 | |
| 升降台参数 | ||
| 结构描述 | 行程 | 20mm |
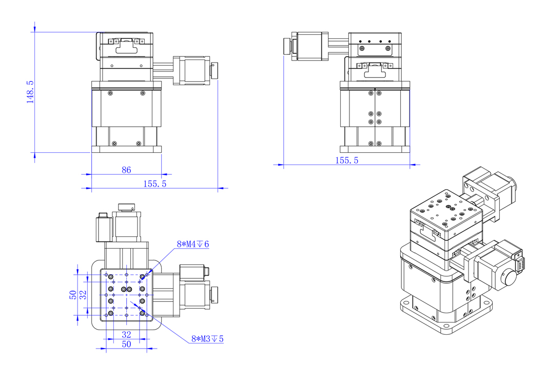
| 台面尺寸 | 86×86mm | |
| 丝杠 | 直推电机丝杠 | |
| 导程 | 0.794MM | |
| 导轨形式 | 交叉滚子导轨 | |
| 主要材料 | 铝合金 | |
| 表面处理 | 黑色氧化 | |
| 自重 | 1.5kg | |
| 精度描述 | 分辨率 | 7.938μm (无细分) 0.397μm (20细分) |
| 速度 | ≤5mm/sec | |
| 精度 | 8μm | |
| 承载能力 | 10kg | |
| 空行程 | 5μm | |
| 平行度 | 50μm | |
| 运动平行度 | 15μm | |
| 俯仰 | 25" | |
产品尺寸:

注意事项:
我们很高兴你能和我们合作。为了节省你的时间,在选择产品时,请查看参数或与我们的销售沟通,避免你购买的产品,因参数与你的使用要求不一致,耽误你的工期进度。我们再次感谢你的支持。









