规格:
服务:
常见问题:
产品参数:
| 产品型号 | PT-SN1050 | ||
| X,Y轴行程 | 100mm | Z轴行程(mm) | 50mm |
| 台面尺寸 | 300×300mm | 螺杆导程(mm) | 0.794 |
| 螺杆导程 | 4mm | 重复定位精度(μm) | ±0.25 |
| 导轨 | 精密交叉滚柱导轨 | 直线度(μm) | 15 |
| 步进电机(步距角) | 42(1.8°) | 定位精度(μm) | ±0.75 |
| 主体材料 | 铝合金 | 分辧率(μm) | 0.05(光栅尺) |
| 表面处理 | 阳极氧化发黑 | 最小步距(μm) | 0.2 |
| 台面中心承载 | 50kg | 最大速度(/s) | —— |
| 平台自量 | 8.3kg | 最大负载(Kg) | 50 |
| 分辨率 | 20μm(无细分) 2.5μm(8细分) | 控制方式 | 闭环 |
| 速度 | 40mm/sec | 自重(Kg) | 3 |
| 重复定位精度 | 2μm | 额定电流(A) | 1.3 |
| 定位精度(选配光栅) | 3μm | —— | |
| 直线度 | 5μm | —— | |
| 运动平行度 | 15μm | —— | |
| 俯仰 | 50" | —— | |
| 偏摆 | 25" | —— | |
| 回程间隙 | 2μm | —— | |
| 丢步 | 2μm | —— | |
| 可加装光栅尺(G) | —— | ||
| 可换装伺服电机(D) | —— | ||
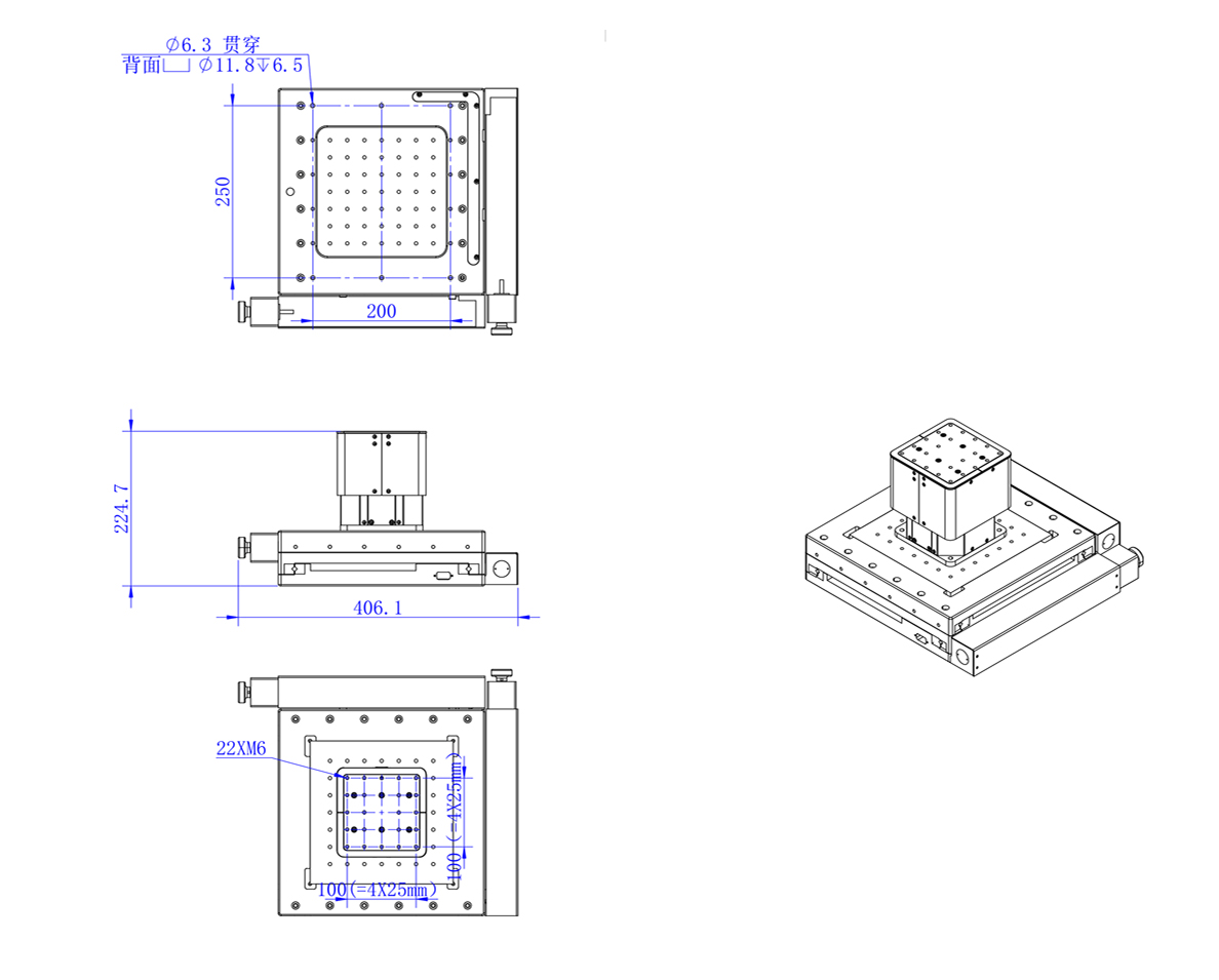
产品尺寸:

注意事项:
我们很高兴你能和我们合作。为了节省你的时间,在选择产品时,请查看参数或与我们的销售沟通,避免你购买的产品,因参数与你的使用要求不一致,耽误你的工期进度。我们再次感谢你的支持。









