规格:
服务:
常见问题:
产品参数:
| 型号 | 自重 | 滑台中心孔 | 滑台宽度 | 规格 |
| HT-111 | 85g | M6螺纹孔 | 40mm | 82mmX40mm |
| HT-112 | 105g | M6螺纹孔 | 50mm | 82mmX50mm |
| HT-113 | 155g | M6螺纹孔 | 75mm | 82mmX75mm |
| 型号 | 自重 | 沉孔规格 | 导轨长度 | 规格 |
| DG-101 | 995g | M6开槽孔 | 310 | 58mmX310mm |
| DG-102 | 1950g | M6开槽孔 | 610 | 58mmX610mm |
| DG-104 | 3965g | M6开槽孔 | 1210 | 58mmX1210mm |
精密导轨可用于排列一组光机元件,在改变元件间距时保持中心轴位置不变,并方便整组系统搬动。
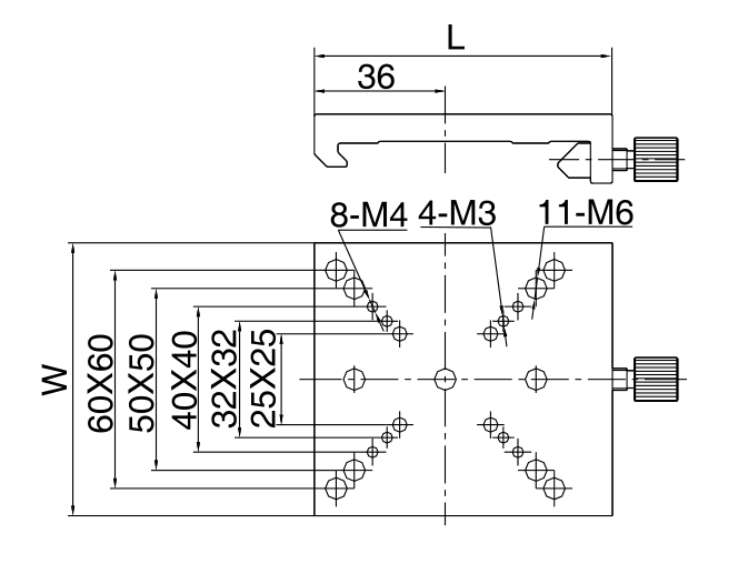
产品尺寸图:
HT-111:

HT-112:

HT-113:

DG-101:

DG-102:

DG-104:

注意事项:
我们很高兴你能和我们合作。为了节省你的时间,在选择产品时,请查看参数或与我们的销售沟通,避免你购买的产品,因参数与你的使用要求不一致,耽误你的工期进度。我们再次感谢你的支持。









