规格:
产品详情:
服务:
常见问题:
两个手动平移台PT-SD102P ,一个手动升降台PT-SD408 组合而成,X行程(50MM)Y行程(50MM)Z行程(60MM)。
型号 | PT-SD408 |
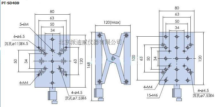
台面尺寸 | 120 mm×80mm |
驱动方式 | 精研丝杠驱动 |
升降行程 | 60 mm |
Z小调整量 | 5μ(参考) |
承载 | 20kg |
自重 | 1.15kg |
材料 | 硬铝 |
表面处理 | 阳极氧化黑 |
型号 | PT-SD102P |
台面尺寸 | 100mm×60mm |
驱动方式 | 研磨丝杠 |
驱动位置 | 中央驱动 |
行程 | 50mm |
Z小刻度 | 0.1 |
Z小调整量 | 8μ |
导轨形式 | 精研燕尾副 |
承载 | 12kg |
直线度 | 30μ |
台面平行度 | 50μ |
运动平行度 | 40μ |
自重 | 0.7kg |
材料 | 硬铝 |
表面处理 | 阳极氧化染黑 |
精密型手动升降台 PT-SD408
产品特点:
■用于大行程,不定量,载荷大的升降调整。
■采用剪形升降支撑,精研丝杠驱动。
■上下两面多孔位设计,适用性强,均可作安装面。
■配有锁紧手轮,安全可靠。
■底座和台面均有标准孔距的连接孔,方便与其它系列产品组合使用。
精密型手动平移台:PT-SD102P
■特点:
■导轨为燕尾副。
■位移调整采用精研丝杠驱动。
■精研丝杠在平移台中心放置,操作方便。
■台面和底座分布标准孔距的安装孔,方便安装和组合。
■可组成多维调整架或和其它系列产品组成多维调整。
产品尺寸图:
PT-SD102P


注意事项:
我们很高兴你能和我们合作。为了节省你的时间,在选择产品时,请查看参数或与我们的销售沟通,避免你购买的产品,因参数与你的使用要求不一致,耽误你的工期进度。我们再次感谢你的支持。







