规格:
产品详情:
服务:
常见问题:
可选用不同行程的PT-LX系列直线滑台XY两维组合,手动升降台PT-SD408组装而成。
| 型号 | 行程(mm) | 直线轴承 | 负重 |
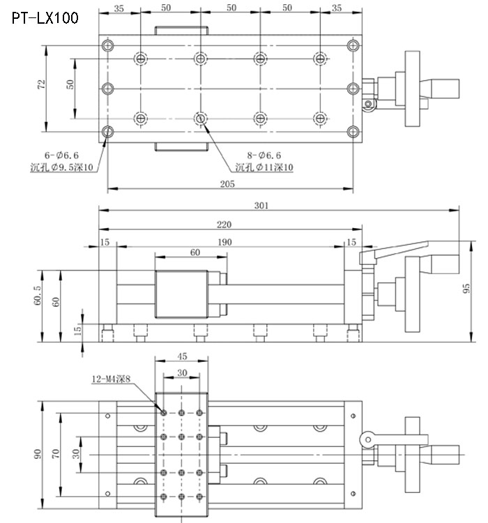
| PT-LX100 | 130行程 | LM16UU | 50KG |
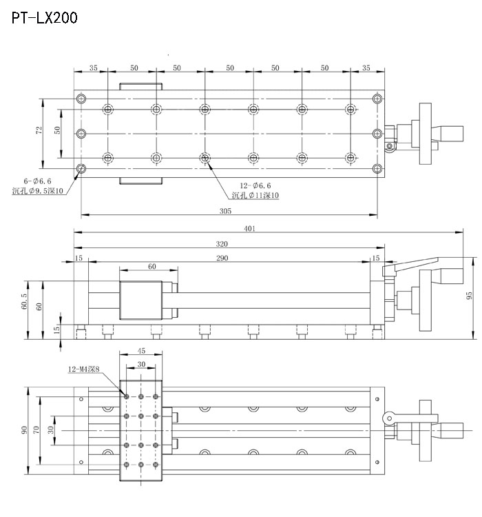
| PT-LX200 | 230行程 | LM16UU | 50KG |
| PT-LX300 | 330行程 | LM16UU | 50KG |
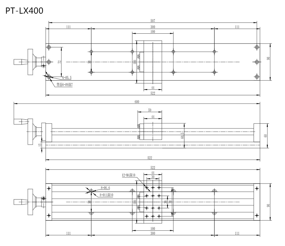
| PT-LX400 | 430行程 | LM16UU | 50KG |
型号 | PT-SD408 |
台面尺寸 | 120 mm×80mm |
驱动方式 | 精研丝杠驱动 |
升降行程 | 60 mm |
Z小调整量 | 5μ(参考) |
承载 | 20kg |
自重 | 1.15kg |
材料 | 硬铝 |
表面处理 | 阳极氧化黑 |
灵活便捷组成XYZ
★丝杆规格: 滚珠丝杆 1605
★导轨规格: 16mm
★导程:5MM
★铝材厚度:15MM 型号:6061
★高精密性,重负载性;
★重复定位精度达±0.02mm
精密型手动升降台:PT-SD408
产品特点:
■用于大行程,不定量,载荷大的升降调整。
■采用剪形升降支撑,精研丝杠驱动。
■上下两面多孔位设计,适用性强,均可作安装面。
■配有锁紧手轮,安全可靠。
■底座和台面均有标准孔距的连接孔,方便与其它系列产品组合使用。
产品尺寸图:





注意事项:
我们很高兴你能和我们合作。为了节省你的时间,在选择产品时,请查看参数或与我们的销售沟通,避免你购买的产品,因参数与你的使用要求不一致,耽误你的工期进度。我们再次感谢你的支持。








