规格:
服务:
常见问题:
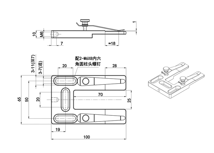
ZB-201产品的作用是将载玻片稳定夹持住;且可通过其上的3个长20mm的长孔将其安装到相应的位移台上,从而实现所夹持的样品的移动。另外此产品采用弹簧压片式结构,即可稳定夹持住样品也可使得样品方便更换,方便用户达到个性化的使用选择。
产品参数:
| 型号 | ZB-201 |
| 外形尺寸 | 100×65×10mm(不含手拧尺寸) |
| 最大夹持高度 | ≤4mm |
| 最大夹持长款 | ≥40mm |
| 夹持样品宽度 | ≥22mm |
| 自重 | 92g |
| 材料 | 铝合金 |
产品尺寸:

注意事项:
我们很高兴你能和我们合作。为了节省你的时间,在选择产品时,请查看参数或与我们的销售沟通,避免你购买的产品,因参数与你的使用要求不一致,耽误你的工期进度。我们再次感谢你的支持。







