规格:
服务:
常见问题:
产品参数:
| 型号 | PT-WX35 |
| 特殊版本 | .HV.高真空版本; .UHV.chao高真空版本; .NM.完全无磁版本; |
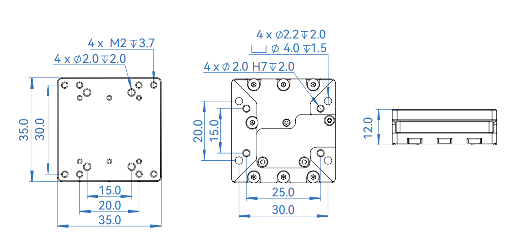
| 底面尺寸×高度 | 35×35×12mm |
| 主体材料 | 标准版,.HV,.UHV 不锈钢;NM,纯钛 |
| 质量 | 标准版,.HV,.UHV 85 g;NM,60g |
| 运动行程 | 20mm(加长版本zui高可至50mm) |
| 驱动频率 | Max.20 kHz |
| 线缆&接头 | 标准版/HV版本,屏蔽线缆D-Sub15;UHV版本,kapton漆包线,PEEK D-Sub15 |
| 最大速度 | ~20mm/s*(真空环境使用时降低至10%) |
| 最小步伐(闭环) | 10 nm(高级版5 nm) |
| 位置重复精度 | ±100nm |
| 运动方向最大推力 | 2 N(高推力版本可达4N) |
| 保持力 | 3 N(高推力版本可达5N) |
| 水平方向使用最大负载 | 1kg |
| 竖直方向使用最大负载 | 100g(高推力版本可达250g) |
| 位置传感器类型 | 光学位置传感器 |
| 位置传感器分辨率 | 标准版本2nm;.adv 版本0.5 nm; |
产品尺寸:

注意事项:
我们很高兴你能和我们合作。为了节省你的时间,在选择产品时,请查看参数或与我们的销售沟通,避免你购买的产品,因参数与你的使用要求不一致,耽误你的工期进度。我们再次感谢你的支持。





